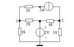
如图所示,结点1的结点电压方程为( )。
A: 6U1-U2=6
B: 5U1=6
C: 5U1=2
D: 6U1-2U2=2

A: 6U1-U2=6
B: 5U1=6
C: 5U1=2
D: 6U1-2U2=2
举一反三
- 如图所示,结点1的结点电压方程为( )。[img=282x182]17d607b018801cf.png[/img] A: 6U1-U2=6 B: 5U1=6 C: 5U1=2 D: 6U1-2U2=2
- 如图示电路,节点1的节点电压方程为()。 A: 6U1-U2=6 B: 6U1=6 C: 5U1=6 D: 6U1-2U2=2
- 图示电路中,利用结点电压法列写方程和解得电压u为( )。[img=188x95]17da6b16678d391.png[/img] A: (1+1/2+1/3)u=-3+3/2;-1 B: (1+1/2)u=-3+3/2;u=-9/11 C: (1+1/2)u=-3+3/2;u=-1 D: (1+1/2+1/3)u=-3+3/2;u=-9/11
- (1)u=u_R+u_L+u_C (2)U=U_R+U_L+U_C (3)U=U_R+j(U_L-U_C) (4)U̇=U̇_R+U̇_L+U̇_C (5)U̇=U̇_R+j(U̇_L+U̇_C) 上述公式中正确的是() A: (1)(2)(3)(4) B: (3)(4)(5) C: (1)(4)(5) D: 全都正确
- 将下列表中的计算机故障排除步骤进行正确排序[img=290x164]17e0aaa37bb0959.png[/img] A: 6 2 1 4 3 5 B: 4 6 3 5 1 2 C: 5 4 2 1 6 3 D: 2 5 3 1 4 6 E: 1 3 6 2 5 4 F: 3 5 6 4 1 2
